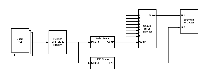
The Temblast Spectrum Server Suite is composed of three parts. Although the first module may be used in a standalone manner, fully functional operation requires all three parts.

The Spectrum Server and the HTTP Server run on the same PC.
The client computers run a standard browser. The system makes use of multipart/x-mixed-replace push technology. This ensures a simple, robust, low-overhead way to update images. Unfortunately Internet Explorer has chosen to ignore this need. Netscape, Opera and other browsers support it. There are ways to cope with the shortcomings of Internet Explorer, but it remains an unrecommended browser.
For automatic generation of web page "wrappers" and indexes DBSubst is recommended.